1
/
of
2
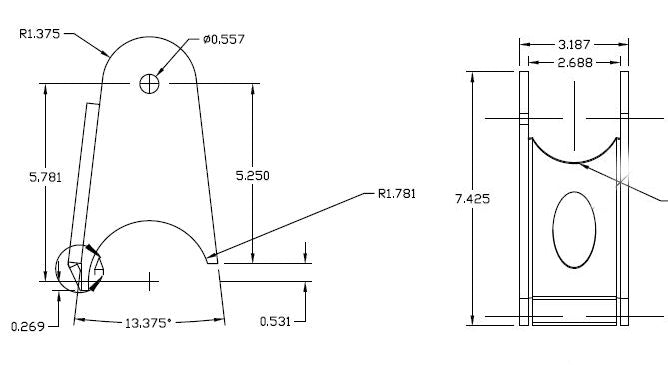
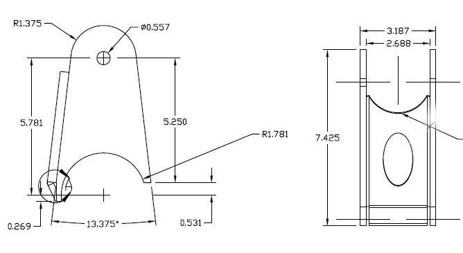
Traction Bar Axle Mount
Traction Bar Axle Mount
SKU:FORD-119-TBB
Regular price
$ 65.00
Regular price
Sale price
$ 65.00
Unit price
/
per
Shipping calculated at checkout.
Couldn't load pickup availability
These are the same brackets we use in our Ford Traction Bar Kits.
Constructed from 1/4" pickled and oiled steel they are ready to weld on to your 3.5" axle housing. They are designed to fit a 1.25" heim joint or one of the bushed ends we use in our traction bar kits.
Sold in pairs
If you need to build a traction bar, look at our Build Your Own Traction Bar Kit
Share

